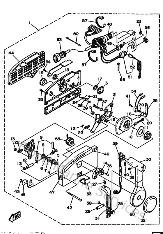
Yamaha Outboard Parts - Remote Control Assy 1 - L200AETOL (1989) | Flood Marine

Diagram: Remote Control Assy 1

Diagram

Parts List

Reference
Description
Price