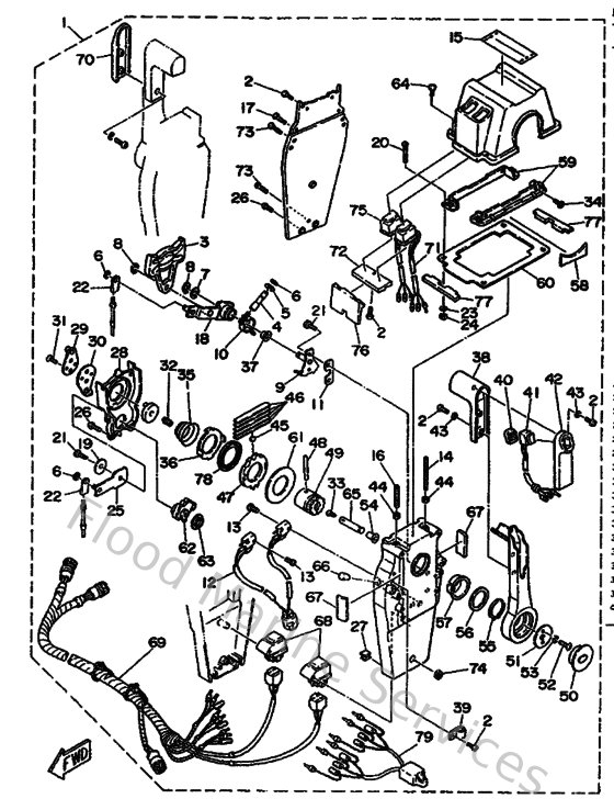
Yamaha Outboard Parts - Remote Control Assy 3 - 115BETO (1990) | Flood Marine

Diagram: Remote Control Assy 3

Diagram

Parts List

Reference
Description
Price