Yamaha Outboard Parts - Remote Control Assy 3 - 90AETOL (1988) | Flood Marine

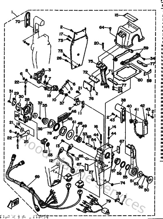
Diagram: Remote Control Assy 3

Diagram

Parts List

Reference
Description
Price