Yamaha Outboard Parts - Repair Kit - 4ACMH (1993) | Flood Marine
New Search
Parts
New Outboards
Home
4ACMH (1993)
Repair Kit
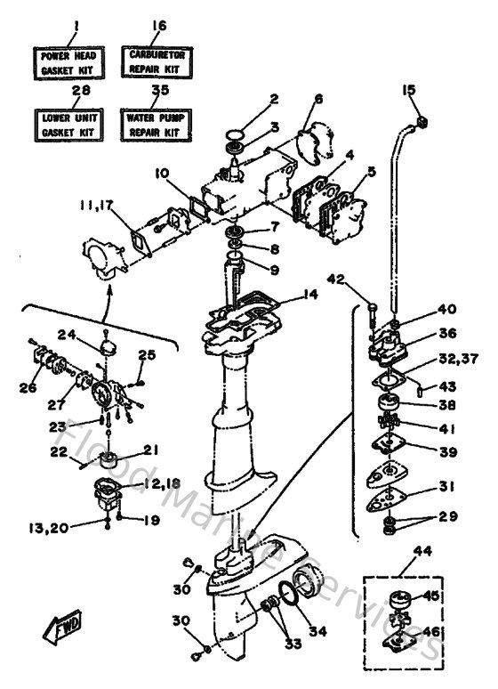
Diagram: Repair Kit
Parts List
Reference
Description
Price
1
6E0W00010300
Gasket kit, power unit
Loading…
↗
2
932104215900
O-ring (647)
Loading…
↗
3
9310220M2500
Oil seal (6e0)
Loading…
↗
4
6E041112A100
Gasket,inner cover exhaust
Loading…
↗
5
6E041114A100
Gasket,outer cover exhaust
Loading…
↗
6
6E011193A100
Gasket,head cover
Loading…
↗
7
9310120M2900
Oil seal(6j1)
Loading…
↗
8
9310110M2500
Oil seal(6e0)
Loading…
↗
9
932103111400
O-ring
Loading…
↗
10
6E013621A100
Gasket, valve seat
Loading…
↗
11
6E014198A000
Gasket
Loading…
↗
12
6E0143840000
Gasket, float chamber
Loading…
↗
13
6A1143980000
Gasket
Loading…
↗
14
6E045113A100
Gasket,upper casing
Loading…
↗
15
646443650000
Damper, water seal 1
Loading…
↗
16
6E0W00930200
Carburetor repair kit
Loading…
↗
19
985800401600
Screw, panhead (796)
Loading…
↗
21
6E7143850000
Float
Loading…
↗
22
647143860000
Pin, float
Loading…
↗
23
6G8143920000
Valve, needle
Loading…
↗
24
6E0142270000
Gasket
Loading…
↗
25
647143230000
Screw, air adjusting
Loading…
↗
26
6E0244710000
Diaphragm
Loading…
↗
27
6E0244110000
Diaphragm
Loading…
↗
28
6E0W00012100
L0wer unit gasket kit
Loading…
↗
29
9310110M1400
Oil seal
Loading…
↗
30
904300800300
Gasket
Loading…
↗
31
6E045315A000
Packing,lower casing
Loading…
↗
32
6E044315A000
Gasket,water pump 1
Loading…
↗
33
9310113M1200
Oil seal
Loading…
↗
34
932104880000
O-ring
Loading…
↗
35
6E0W00780200
Water pump repair kit
Loading…
↗
36
6E0443110000
Housing, water pump
Loading…
↗
38
6E0443220200
Insert, cartridge
Loading…
↗
39
6E0443230000
Outer plate, cartridge
Loading…
↗
40
6E0443660000
Damper, water seal 2
Loading…
↗
41
6E0443520000
Impeller
Loading…
↗
42
973950604500
Bolt, hexagon
Loading…
↗
43
936040906600
Pin, dowel
Loading…
↗
45
6E0443224000
Insert, cartridge
Loading…
↗
46
6E0443234000
Outer plate, cartridge
Loading…
↗