Yamaha Outboard Parts - Repair Kit 1 - 50DEMTO (1991) | Flood Marine
New Search
Parts
New Outboards
Home
50DEMTO (1991)
Repair Kit 1
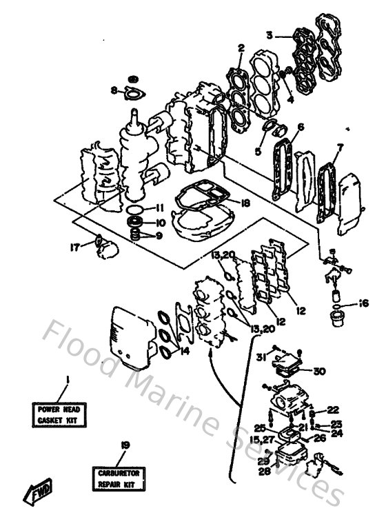
Diagram: Repair Kit 1
Parts List
Reference
Description
Price
1
6H4W00010200
Gasket kit, power unit
Loading…
↗
2
6H4111810000
Gasket, cylinder head 1
Loading…
↗
3
6H411193A100
Gasket, head cover 1
Loading…
↗
4
904301411500
Gasket (663)
Loading…
↗
5
6H4124140000
Gasket, cover
Loading…
↗
6
6H4411120000
Gasket, exhaust inner cover
Loading…
↗
7
6H441114A000
Gasket, exhaust outer cover
Loading…
↗
8
6H4153690100
Gasket, oil seal housing
Loading…
↗
9
9310416M0400
Oil seal(6a8)
Loading…
↗
10
9310225M2800
Oil seal(6h4)
Loading…
↗
11
9321057M0900
O-ring (683)
Loading…
↗
12
6H4136210100
Gasket, valve seat
Loading…
↗
13
6H4141980100
Gasket
Loading…
↗
14
6H3144570100
Seal
Loading…
↗
15
6H4149840000
Gasket, float chamber
Loading…
↗
16
9321037M2500
O-ring (655)
Loading…
↗
17
650244310000
Gasket,fuel pump
Loading…
↗
18
6H4451130000
Gasket, upper casing
Loading…
↗
19
6H4W00930300
Carburetor repair kit
Loading…
↗
21
676149660000
Rubber cap
Loading…
↗
22
6H3145900000
Needle valve assembly
Loading…
↗
23
633141590000
Clip
Loading…
↗
24
676141860000
Pin, valve
Loading…
↗
25
6H4149850000
Float
Loading…
↗
26
6H4145480000
Pin, float arm
Loading…
↗
28
979800411400
Screw, pan head(ga5)
Loading…
↗
29
932100423000
O-ring (371)
Loading…
↗
30
6H4141470000
O-ring
Loading…
↗
31
692149230000
Screw, adjusting
Loading…
↗