Yamaha Outboard Parts - Repair Kit 2 - 150CETOL (1990) | Flood Marine
New Search
Parts
New Outboards
Home
150CETOL (1990)
Repair Kit 2
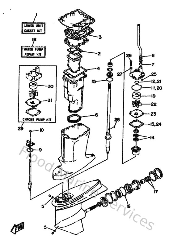
Diagram: Repair Kit 2
Parts List
Reference
Description
Price
1
6G5W00012000
Lower unit gasket kit
Loading…
↗
2
6G5411340000
Gasket, exhaust manifold
Loading…
↗
3
6G545114A100
Gasket, upper casing
Loading…
↗
4
6E5411350000
Gasket, exhaust manifold
Loading…
↗
5
904300802000
Gasket
Loading…
↗
6
6E5451230000
Gasket, muffler
Loading…
↗
7
6E5443650000
Damper, water seal 1
Loading…
↗
8
6E5443660000
Damper, water seal 2
Loading…
↗
9
932105867700
O-ring(47x)
Loading…
↗
10
931060901400
Oil seal
Loading…
↗
11
9321086M3800
O-ring (6e5)
Loading…
↗
12
9321037M6700
O-ring (6g8)
Loading…
↗
13
6E5443150000
Gasket,water pump
Loading…
↗
14
9310128M1600
Oil seal (6e5)
Loading…
↗
15
932105453400
O-ring (70e)
Loading…
↗
16
9321097M5500
O-ring (6g5)
Loading…
↗
17
9310130M1700
Oil seal (6e5)
Loading…
↗
18
6G5W00780000
Water pump rerair kit
Loading…
↗
19
6E5443220000
Insert, cartridge
Loading…
↗
22
6E5443520000
Impeller
Loading…
↗
23
6G5443230000
Outer plate, cartridge
Loading…
↗
24
6E544315A000
Gasket,water pump
Loading…
↗
25
936061201900
Pin, dowel (614)
Loading…
↗
26
973950804500
Bolt, hexagon
Loading…
↗
27
9020908M0200
Washer, plate (688)
Loading…
↗
28
9028004M0500
Key, woodruff (6e5)
Loading…
↗
30
6E5443224100
Insert, Cartridge
Loading…
↗
31
6G5443234000
Outer plate, cartridge
Loading…
↗