Yamaha Outboard Parts - Repair Kit 2 - 75AE (1992) | Flood Marine
New Search
Parts
New Outboards
Home
75AE (1992)
Repair Kit 2
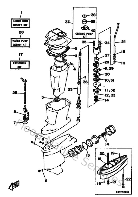
Diagram: Repair Kit 2
Parts List
Reference
Description
Price
1
688W00012100
Lower unit gasket kit
Loading…
↗
2
68845114A100
Gasket, upper casing
Loading…
↗
3
68841134A000
Gasket, exhaust manifold
Loading…
↗
4
688411330000
Gasket, exhaust manifold 1
Loading…
↗
5
688451230000
Gasket, muffler
Loading…
↗
6
904300802000
Gasket
Loading…
↗
7
932104904600
O-ring (620)
Loading…
↗
8
931060901400
Oil seal
Loading…
↗
9
68844315A000
Gasket,water pump 1
Loading…
↗
10
68844324A000
Gasket,cartridge 0uter plate
Loading…
↗
11
68844316A000
Gasket,water pump 2
Loading…
↗
12
932104604400
O-ring
Loading…
↗
13
9321085M9700
O-ring(6h1)
Loading…
↗
14
9310125M0300
Oil seal
Loading…
↗
15
904301207200
Gasket
Loading…
↗
16
663443660000
Damper, water seal 2
Loading…
↗
19
936061201900
Pin, dowel (614)
Loading…
↗
20
9011610M0500
Bolt, stud (688)
Loading…
↗
21
953801060000
Nut(624)
Loading…
↗
22
9011908M0000
Bolt, with washer(62x)
Loading…
↗
23
688455012200
Drive shaft comp.
Loading…
↗
24
688443612000
Tube, water (ul)
Loading…
↗
25
688441202100
Handle gear shift assembly
Loading…
↗
26
692W00780100
Water pump repair kit
Loading…
↗
27
688443220000
Insert, cartridge
Loading…
↗
28
688443520300
Impeller
Loading…
↗
30
688443230000
Outer plate, cartridge
Loading…
↗
34
973950805000
Bolt (62k)
Loading…
↗
35
973950807000
Bolt, hexagon
Loading…
↗
36
9028004M0400
Key, woodruff (688)
Loading…
↗
37
688W00781A00
Chrome pump kit
Loading…
↗
38
688443214100
Inner plate, cartridge
Loading…
↗
39
688443224100
Insert, cartridge
Loading…
↗
40
688443234000
Outer plate, cartridge
Loading…
↗