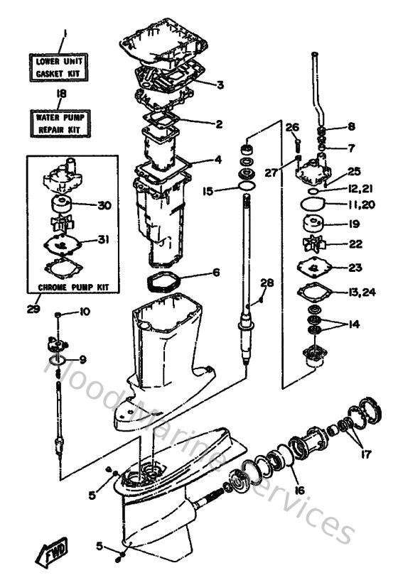
Yamaha Outboard Parts - Repair Kit 2 - L200AETOL (1989) | Flood Marine

Diagram: Repair Kit 2

Diagram