Genuine Yamaha Outboard Parts Diagrams | Flood Marine

Diagram: STEERING

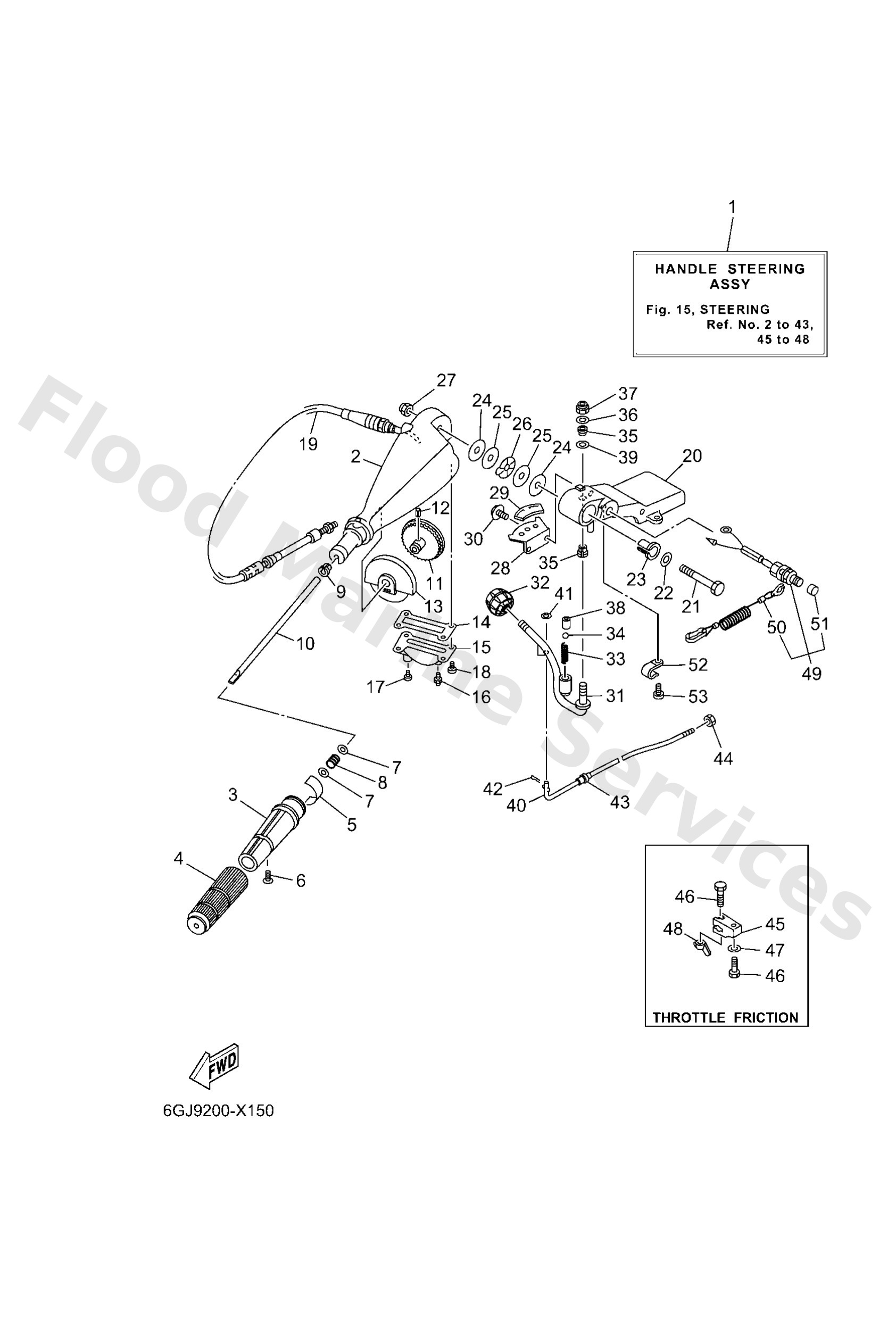
Diagram

Parts List

Handle steering assembly
Diagram Reference: 1
Handle, steering
Diagram Reference: 2
Grip, steering handle
Diagram Reference: 3
Rubber, handle
Diagram Reference: 4
Indicator, throttle
Diagram Reference: 5
Screw, countersunk
Diagram Reference: 6
Washer, plate(6g9)
Diagram Reference: 7
Spring (655)
Diagram Reference: 8
Bushing (650)
Diagram Reference: 9
Shaft, steering handle
Diagram Reference: 10
Lever, throttle
Diagram Reference: 11
Pin, spring
Diagram Reference: 12
Housing, throttle lever
Diagram Reference: 13
Gasket
Diagram Reference: 14
Cover, throttle lever
Diagram Reference: 15
Nipple, grease
Diagram Reference: 16
Screw, pan head(6a3)
Diagram Reference: 17
Screw,pan head (646)
Diagram Reference: 18
Throttle cable assembly
Diagram Reference: 19
Bracket
Diagram Reference: 20
Bolt
Diagram Reference: 21
Ybs66-12 washer,plain
Diagram Reference: 22
Bushing(663)
Diagram Reference: 23
Washer, plate(663)
Diagram Reference: 24
Washer, plate(663)
Diagram Reference: 25
Washer, wave(663)
Diagram Reference: 26
Nut, nylon(663)
Diagram Reference: 27
Cam plate, handle
Diagram Reference: 28
Indicator,shift
Diagram Reference: 29
Bolt, hexagon deep recess
Diagram Reference: 30
Handle, gear shift
Diagram Reference: 31
Lever, shift control
Diagram Reference: 32
Spring (697)
Diagram Reference: 33
Ball (697)
Diagram Reference: 34
Bushing 6484418600
Diagram Reference: 35
Washer, plate
Diagram Reference: 36
Nut, self-locking
Diagram Reference: 37
Coller (697)
Diagram Reference: 38
Washer (692)
Diagram Reference: 39
Rod, manual shift
Diagram Reference: 40
Washer, plain (646)
Diagram Reference: 41
Pin, cotter
Diagram Reference: 42
Bushing(663)
Diagram Reference: 43
Nut,cable end
Diagram Reference: 44
Friction, steering handle
Diagram Reference: 45
Bolt
Diagram Reference: 46
Nut, wing (f87)
Diagram Reference: 48
Engine stop switch assembly
Diagram Reference: 49
Lanyard, stop switch
Diagram Reference: 50
Cap
Diagram Reference: 51
Clamp
Diagram Reference: 52
Screw, pan head(62j)
Diagram Reference: 53