Genuine Yamaha Outboard Parts Diagrams | Flood Marine
New Search
Parts
New Outboards
Home
60FETO (2025)
STEERING GUIDE
Diagram: STEERING GUIDE
Parts List
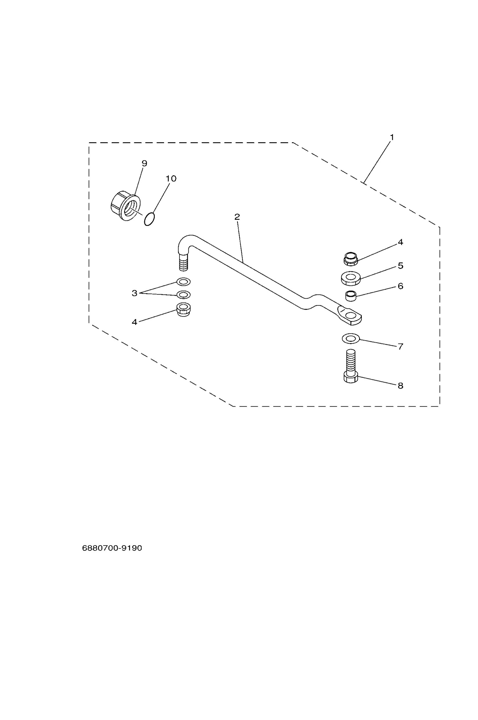
6886135010
(AP EXCEPT FOR AFR)
Steering guide attachment kit
Diagram Reference: 1
Get Part
6886135110
Rod, steering link
Diagram Reference: 2
Get Part
9020110M20
Washer, plate (663)
Diagram Reference: 3
Get Part
9018509M01
Nut, nylon (663)
Diagram Reference: 4
Get Part
9017009M03
Nut (689)
Diagram Reference: 5
Get Part
9038710M42
Coller (688)
Diagram Reference: 6
Get Part
9020110081
Washer, plate
Diagram Reference: 7
Get Part
6E56135500
Bolt
Diagram Reference: 8
Get Part
6E54314501
Cap, clamp bracket
Diagram Reference: 9
Get Part
9321016275
O-ring
Diagram Reference: 10
Get Part