Diagram Sections: 100AETO (1998)
Download as PDF-
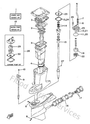
Boitier Dhelice, Transmissio
-
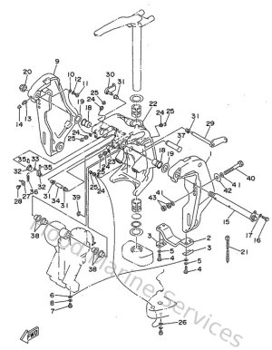
Bracket 1
-
Bracket 2
-
Capot Infprieur
-
Capot Supprieur
-
Carburetor
-
Controle
-
Crankshaft & Piston
-
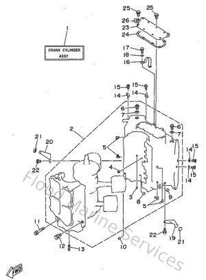
Cylinder. Crankcase 1
-
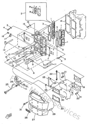
Cylinder. Crankcase 2
-
Electrical 1
-
Electrical 2
-
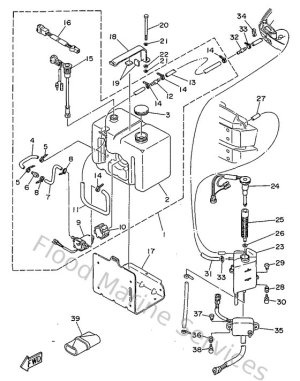
Fuel
-
Generator
-
Intake
-
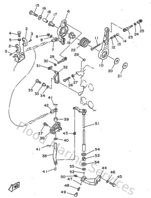
Oil Pump
-
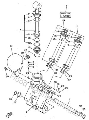
Power Trim & Tilt Assy 2
-
Puissance Pare Et Incliner, En
-
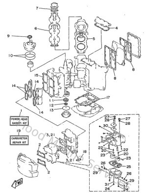
Repair Kit 1
-
Repair Kit 2
-
Rpservoir A Huile
-
Starting Motor
-
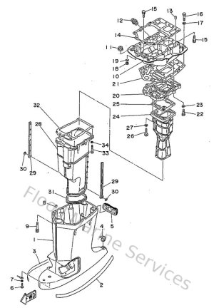
Upper Casing