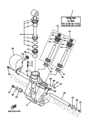
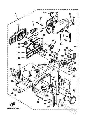
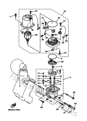
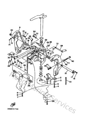
Diagram Sections: 100AETO (2001)

Download as PDF