Diagram Sections: 115AETOL (1985)
Download as PDF-
Bottom Cowling
-
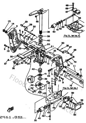
Bracket 1
-
Bracket 2
-
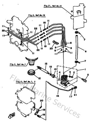
Carburetor
-
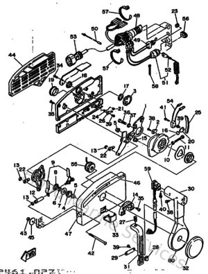
Control
-
Crankshaft & Piston
-
Cylinder & Crankcase
-
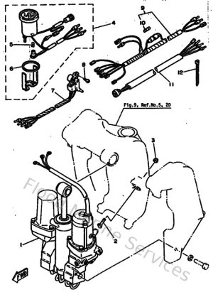
Electric Motor
-
Electric Parts 2
-
Electrical 1
-
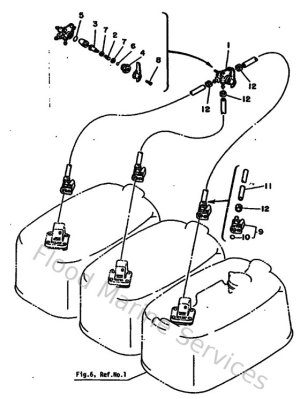
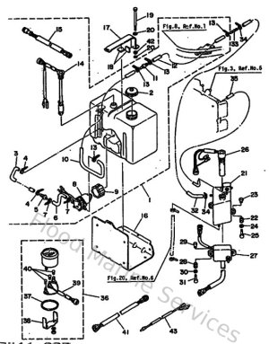
Fuel 1
-
Fuel 2
-
Intake
-
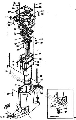
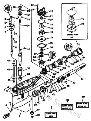
Lower Casing & Drive 1
-
Lower Casing & Drive 2
-
Magneto
-
Oil Pump
-
Oil Tank
-
Optional Parts 1
-
Optional Parts 2
-
Optional Parts 3
-
Optional Parts 4
-
Optional Parts 5
-
Power Trim & Tilt Assy
-
Remote Control
-
Remote Control Assy
-
Repair Kit
-
Steering Guide
-
Top Cowling
-
Upper Casing