Diagram Sections: 115AETOL (1987)
Download as PDF-
Bottom Cowling
-
Bracket
-
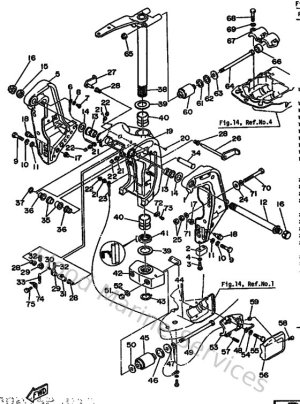
Bracket 1
-
Bracket 2
-
Carburetor
-
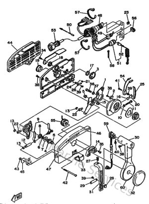
Control
-
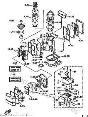
Crankshaft & Piston
-
Cylinder & Crankcase
-
Electric Motor
-
Electric Parts
-
Fuel 1
-
Fuel 2
-
Intake
-
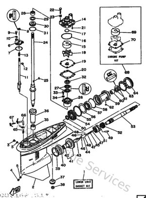
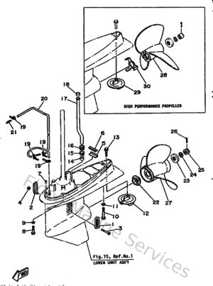
Lower Casing & Drive 1
-
Lower Casing & Drive 2
-
Magneto
-
Oil Pump
-
Oil Tank
-
Optional Parts 1
-
Optional Parts 2
-
Optional Parts 3
-
Optional Parts 5
-
Optional Parts 6
-
Power Trim & Tilt Assy
-
Remote Control
-
Remote Control Assy 1
-
Remote Control Assy 2
-
Repair Kit 1
-
Repair Kit 2
-
Steering Guide
-
Top Cowling
-
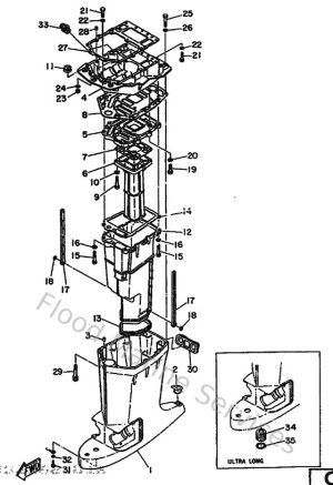
Upper Casing