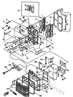
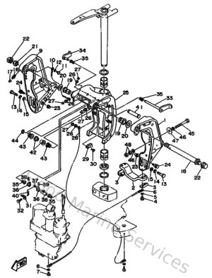
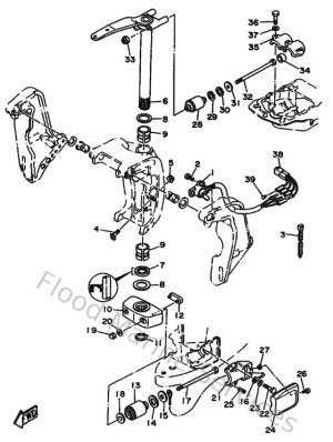
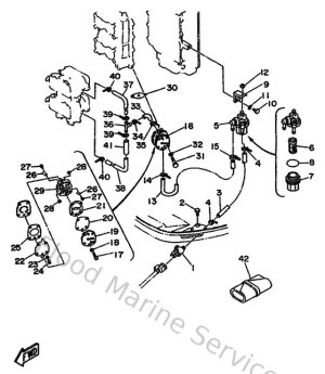
Diagram Sections: 115BETO (1996)

Download as PDF