Diagram Sections: 115CETO (2001)
Download as PDF-
Bottom Cowling
-
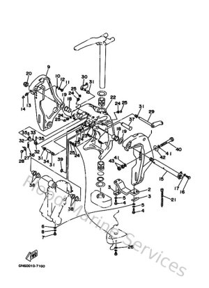
Bracket 1
-
Bracket 2
-
Carburetor
-
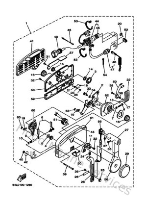
Control
-
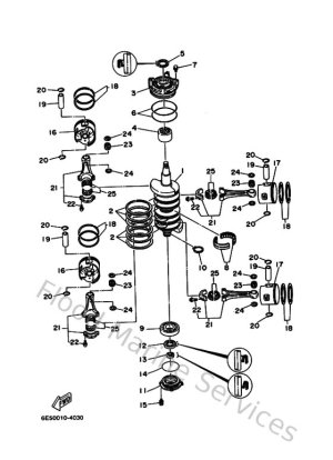
Crankshaft & Piston
-
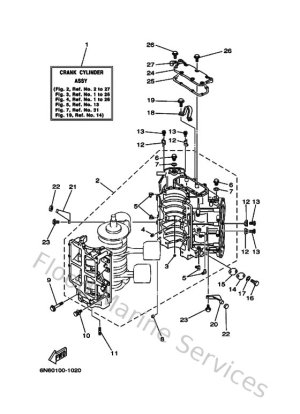
Cylinder & Crankcase
-
Cylinder & Crankcase 2
-
Electrical 1
-
Electrical 2
-
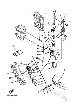
Fuel
-
Fuel 2
-
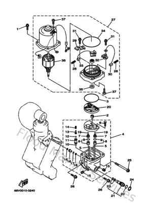
Generator
-
Intake
-
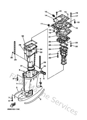
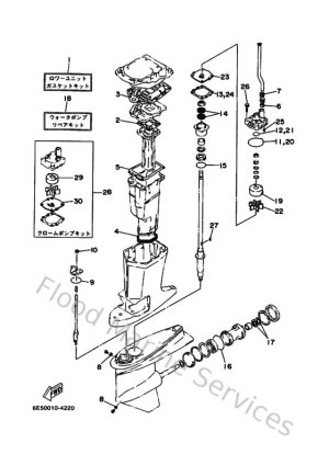
Lower Casing & Drive 1
-
Lower Casing & Drive 2
-
Meter
-
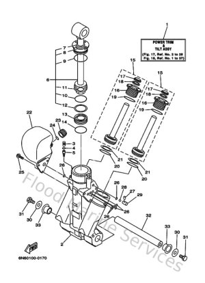
Power Trim & Tilt Assy 1
-
Power Trim & Tilt Assy 2
-
Remote Control Assy 1
-
Remote Control Box
-
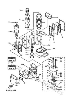
Repair Kit 1
-
Repair Kit 2
-
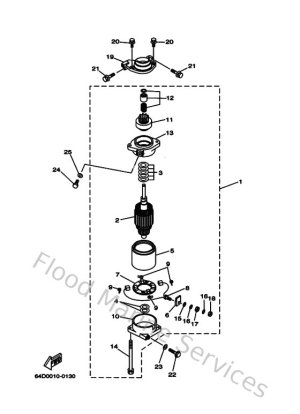
Starting Motor
-
Steering Guide
-
Top Cowling
-
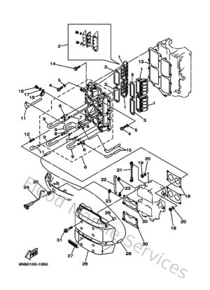
Upper Casing