Diagram Sections: 115CETOL (1991)
Download as PDF-
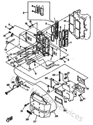
Bottom Cowling
-
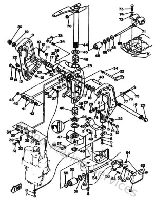
Bracket
-
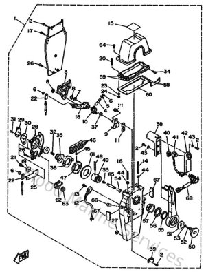
Bracket 1
-
Bracket 2
-
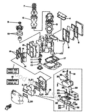
Carburetor
-
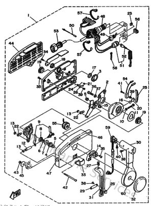
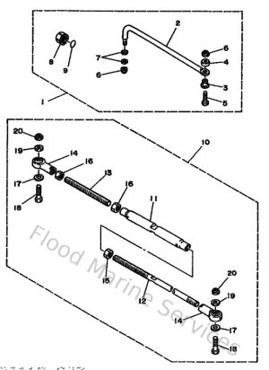
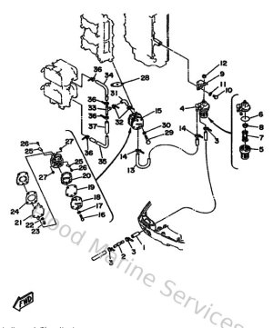
Control
-
Crankshaft & Piston
-
Cylinder & Crankcase
-
Electrical 1
-
Electrical 2
-
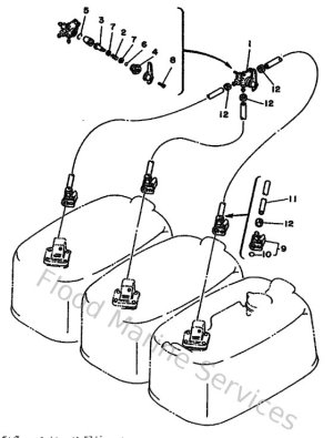
Fuel 1
-
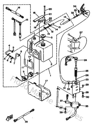
Fuel 2
-
Intake
-
Magneto
-
Oil Pump
-
Oil Tank
-
Optional Parts
-
Optional Parts 1
-
Optional Parts 2
-
Optional Parts 3
-
Optional Parts 4
-
Optional Parts 5
-
Optional Parts 6
-
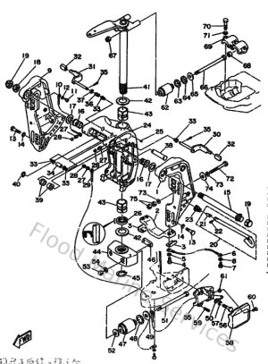
Power Trim & Tilt Assy
-
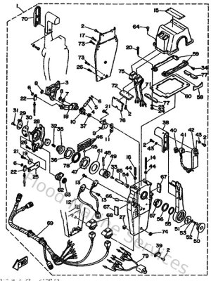
Remote Control
-
Remote Control Assy 1
-
Remote Control Assy 2
-
Remote Control Assy 3
-
Repair Kit 1
-
Repair Kit 2
-
Starting Motor
-
Steering Guide
-
Top Cowling
-
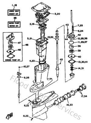
Upper Casing
Warning: file_put_contents(/home/yamahadiagrams/public_html/uploads/pdf_images/2347/24/index.php): Failed to open stream: No such file or directory in /home/yamahadiagrams/public_html/engine-sections.php on line 195