Diagram Sections: 115CETOL (1997)
Download as PDF-
Bottom Cowling
-
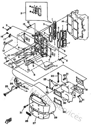
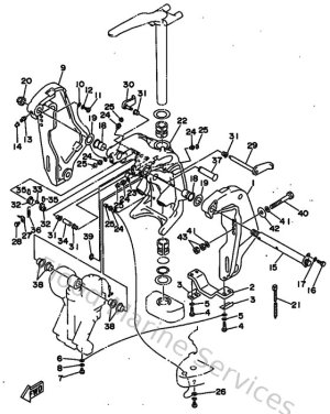
Bracket 1
-
Bracket 2
-
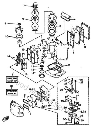
Carburetor
-
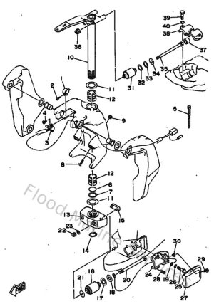
Control
-
Crankshaft & Piston
-
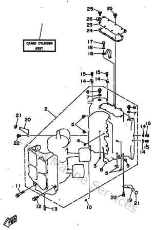
Cylinder & Crankcase 1
-
Cylinder & Crankcase 2
-
Demarreur Electrique
-
Fuel
-
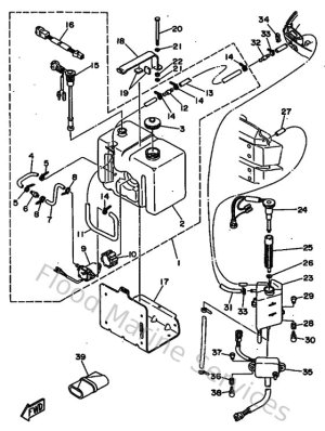
Fuel Tank
-
Generatrice
-
Intake
-
Kits De Reparation 1
-
Kits De Reparation 2
-
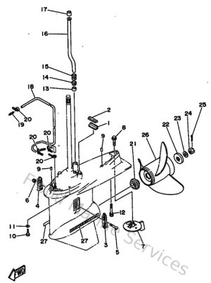
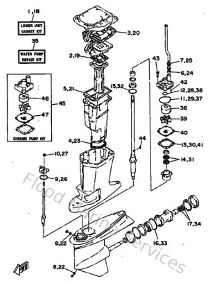
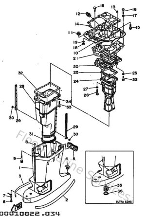
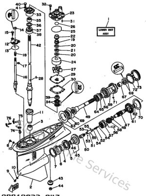
Lower Casing & Drive
-
Oil Pump
-
Optionnelles 1
-
Optionnelles 2
-
Partie Electrique 1
-
Partie Electrique 2
-
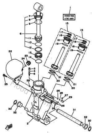
Power Trim & Tilt Assy
-
Top Cowling
-
Upper Casing