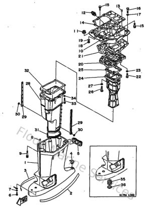
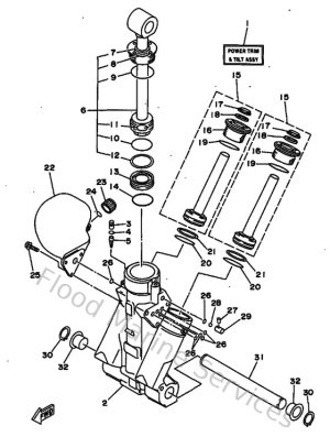
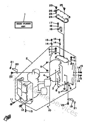
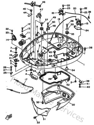
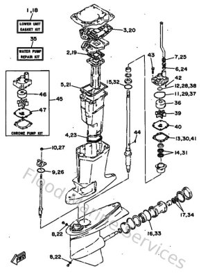
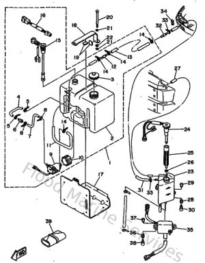
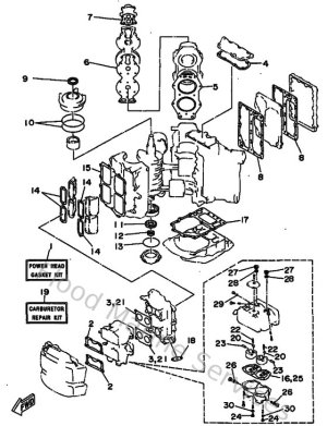
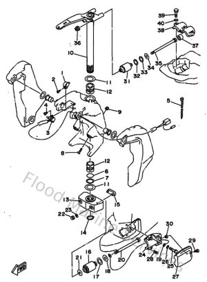
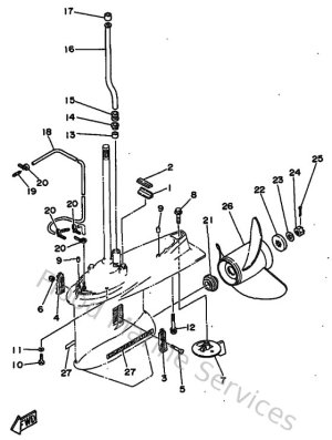
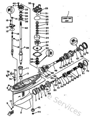
Diagram Sections: 115CETOL (1998)

Download as PDF