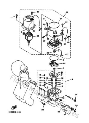
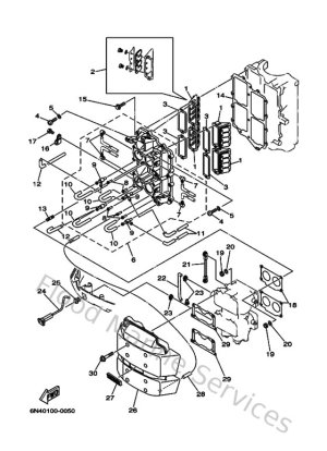
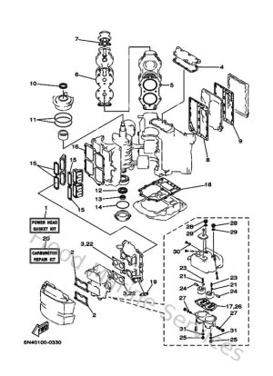
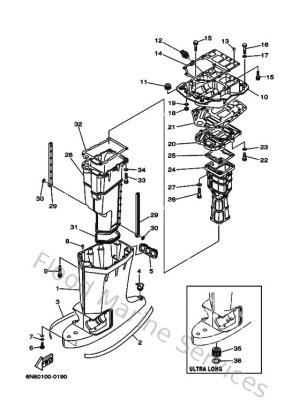
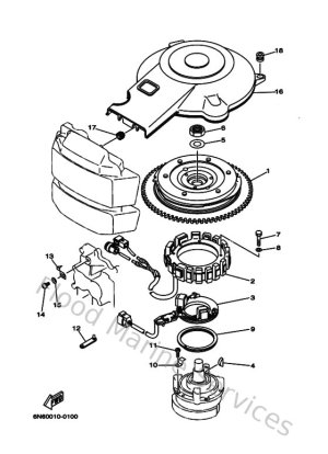
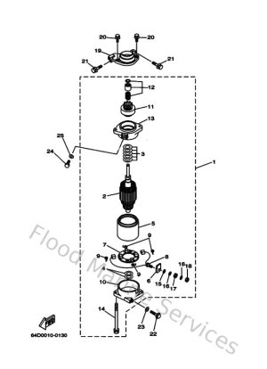
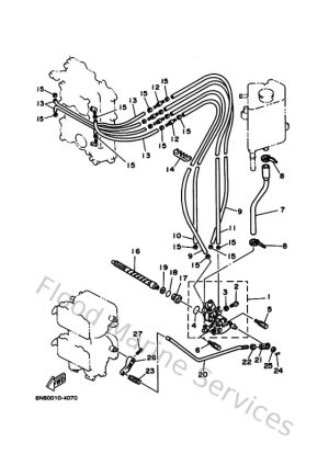
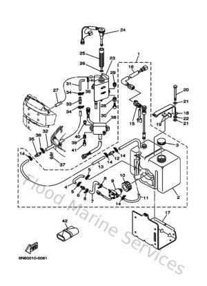
Diagram Sections: 115CETOL (2000)

Download as PDF