Diagram Sections: 130BETOL (1995)
Download as PDF-
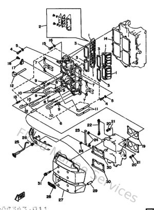
Bottom Cowling
-
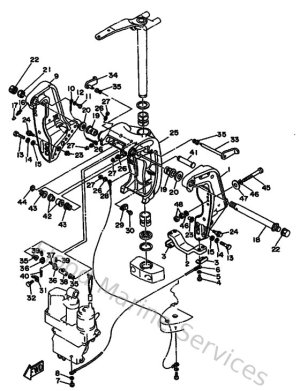
Bracket 1
-
Bracket 2
-
Bracket 3
-
Carburetor
-
Controller 1
-
Crankshaft & Piston
-
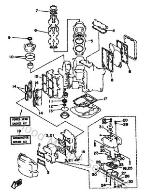
Cylinder & Crankcase
-
Demarreur Electrique
-
Fuel
-
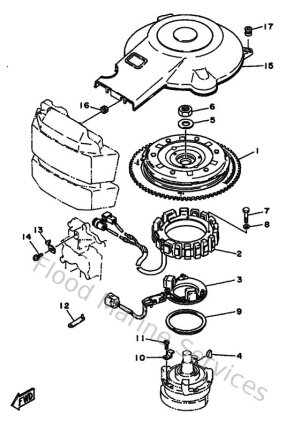
Generatrice
-
Intake
-
Kits De Reparation 1
-
Kits De Reparation 2
-
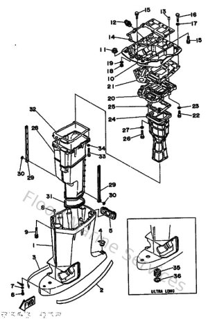
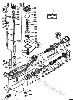
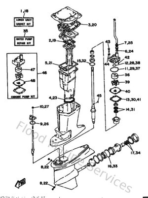
Lower Casing & Drive
-
Oil Pump
-
Oil Tank
-
Optionnelles 1
-
Optionnelles 2
-
Partie Electrique 1
-
Partie Electrique 2
-
Power Trim & Tilt Assy
-
Top Cowling
-
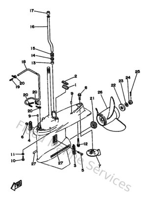
Upper Casing