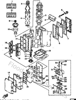
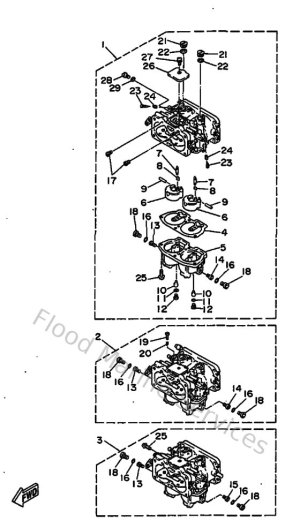
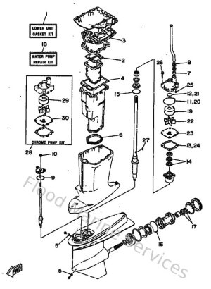
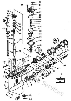
Diagram Sections: 150AETOL (1998)

Download as PDF