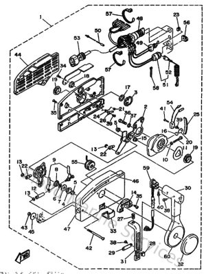
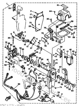
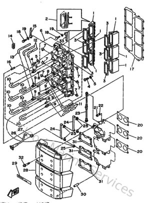
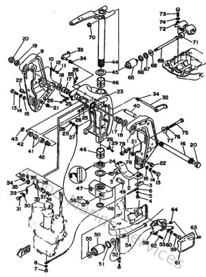
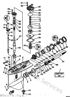
Diagram Sections: 150CETOL (1992)

Download as PDF