Diagram Sections: 150CETOL (1994)
Download as PDF-
Allumage Electronique
-
Bottom Cowling
-
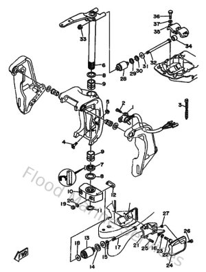
Bracket 1
-
Bracket 2
-
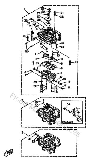
Carburetor
-
Control
-
Crankshaft & Piston
-
Cylinder & Crankcase
-
Demarreur Electrique
-
Fuel
-
Fuel Tank
-
Intake
-
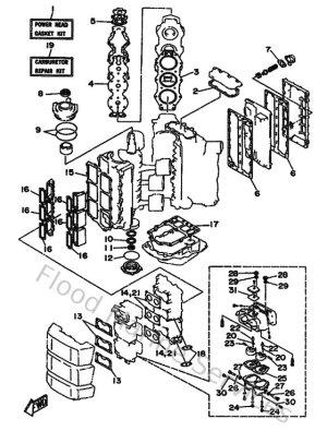
Kits De Reparation 1
-
Kits De Reparation 2
-
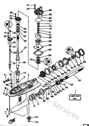
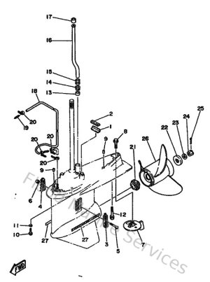
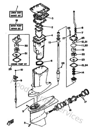
Lower Casing & Drive
-
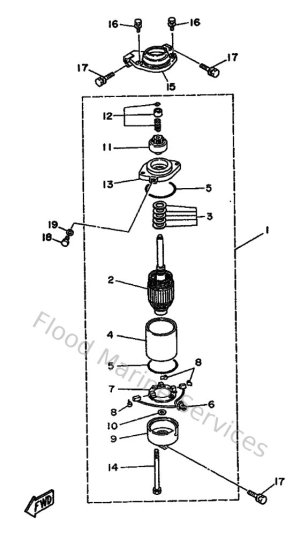
Oil Pump
-
Optionnelles 1
-
Optionnelles 2
-
Partie Electrique 1
-
Partie Electrique 2
-
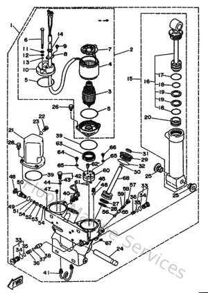
Power Trim & Tilt Assy
-
Top Cowling
-
Upper Casing