Diagram Sections: 150FETOL (1996)
Download as PDF-
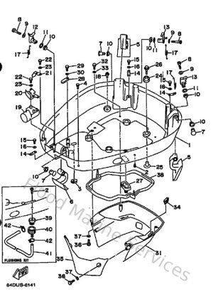
Bottom Cowling
-
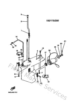
Bracket 1
-
Bracket 2
-
Carburetor
-
Control
-
Crankshaft & Piston
-
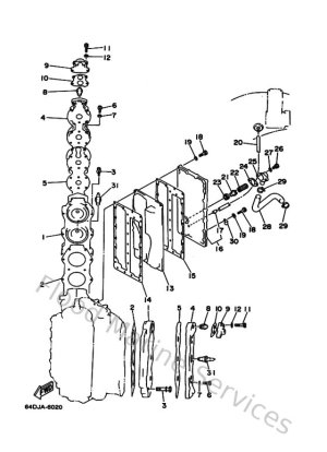
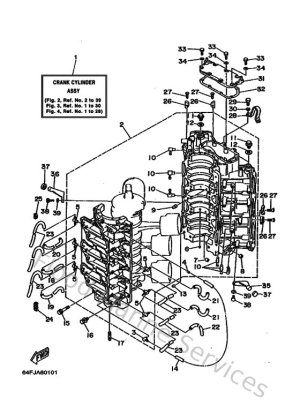
Cylinder & Crankcase 1-1
-
Cylinder & Crankcase 1-2 (SWS)
-
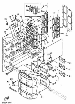
Cylinder & Crankcase 2
-
Electrical 1
-
Electrical 2
-
Fuel 1
-
Fuel 2 (200/L200:SWS)
-
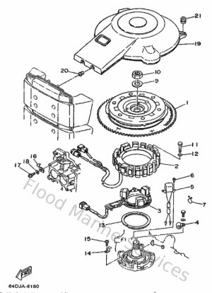
Generator
-
Intake 1
-
Intake 2 (200/L200:SWS)
-
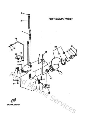
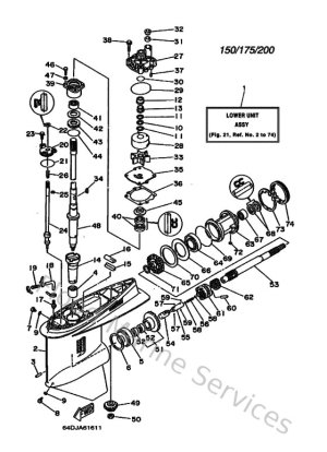
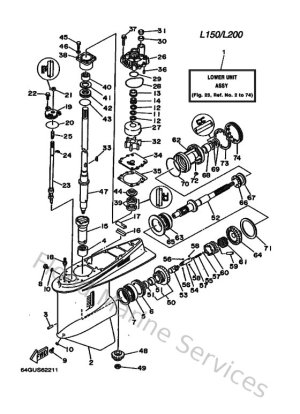
Lower Casing & Drive 1
-
Lower Casing & Drive 2
-
Lower Casing & Drive 2 (USA)
-
Lower Casing & Drive 3
-
Lower Casing & Drive 4
-
Lower Casing & Drive 4 (USA)
-
Oil Pump 1
-
Oil Pump 2 (200/L200:SWS)
-
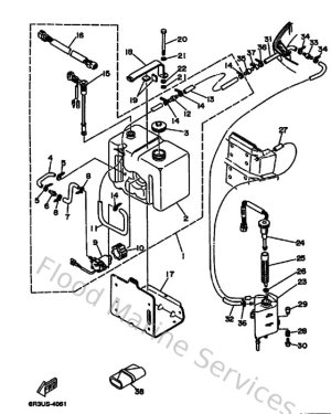
Oil Tank
-
Power Trim & Tilt Assy 1
-
Power Trim & Tilt Assy 2
-
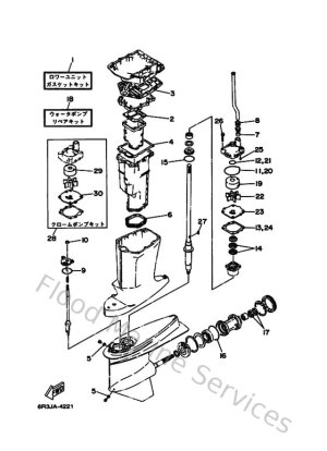
Repair Kit 1-1
-
Repair Kit 1-2 (200/L200:SWS)
-
Repair Kit 2
-
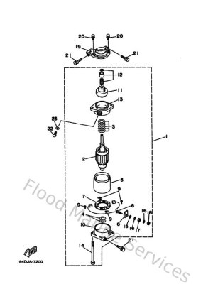
Starting Motor
-
Top Cowling
-
Upper Casing