Diagram Sections: 150FETOL (1998)
Download as PDF-
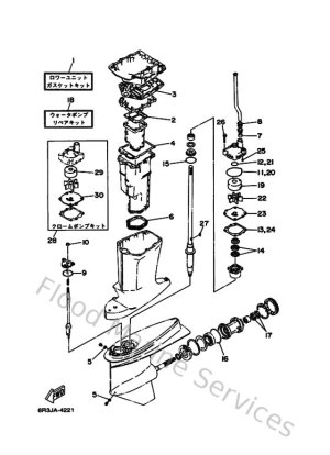
Boitier Dhelice, Transmissio (150/175/200)
-
Boitier Dhelice, Transmissio (L150/L200)
-
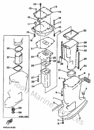
Bottom Cowling
-
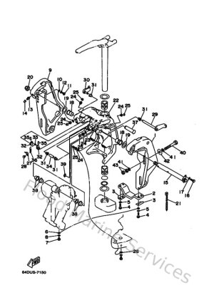
Bracket 1
-
Bracket 2
-
Carburetor
-
Controller 1
-
Crankshaft & Piston
-
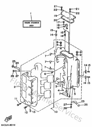
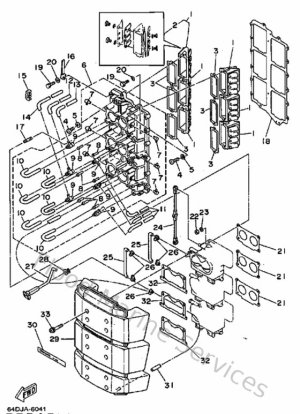
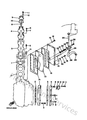
Cylinder & Crankcase 1
-
Cylinder & Crankcase 2
-
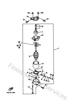
Demarreur Electrique
-
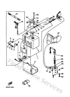
Fuel
-
Generatrice
-
Intake
-
Kits De Reparation 1
-
Kits De Reparation 2
-
Oil Pump
-
Oil Tank
-
Partie Electrique 1
-
Partie Electrique 2
-
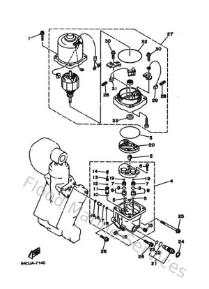
Power Trim & Tilt Assy
-
Power Trim & Tilt Assy 2
-
Top Cowling
-
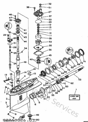
Upper Casing