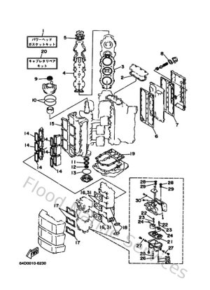
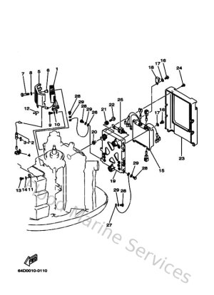
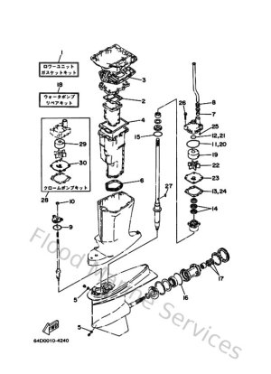
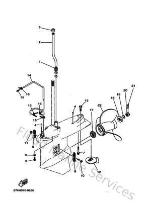
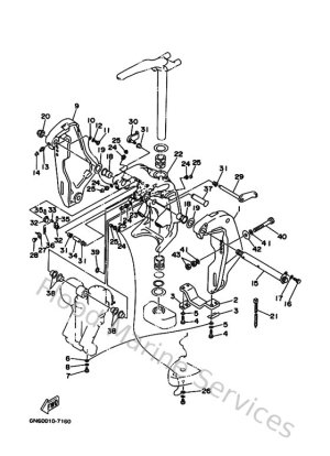
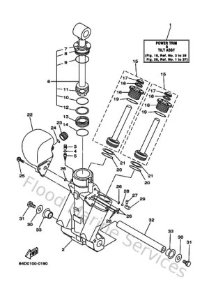
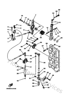
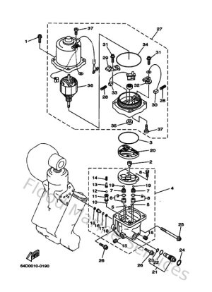
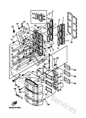
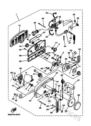
Diagram Sections: 150FETOL (2000)

Download as PDF