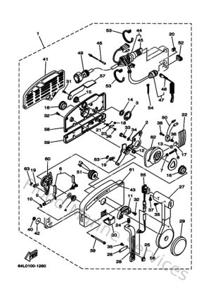
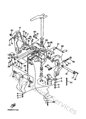
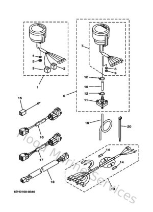
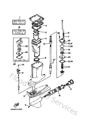
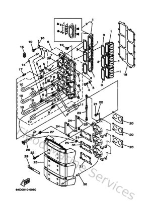
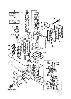
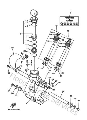
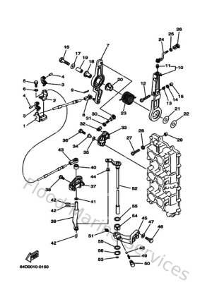
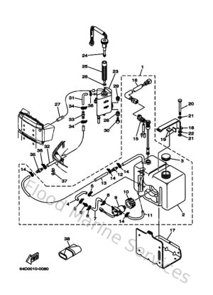
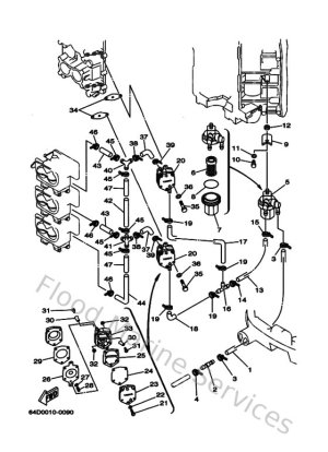
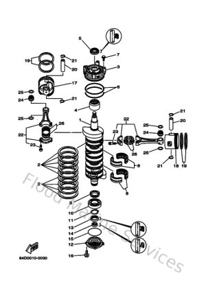
Diagram Sections: 150FETOL (2001)

Download as PDF