New Search
Parts
New Outboards
Diagram Sections: 15DEH (1995)
Download as PDF
Bottom Cowling
Bracket 1
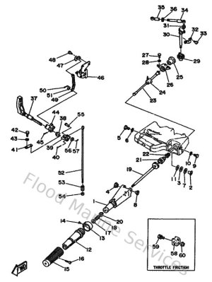
Control
Crankshaft & Piston
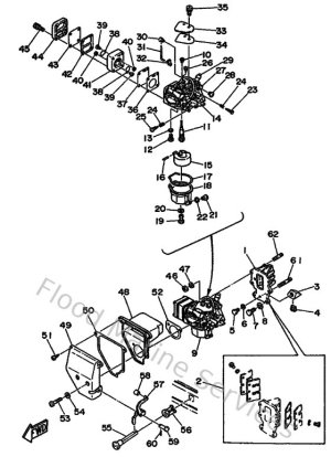
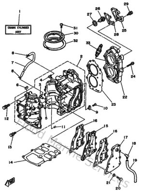
Cylinder & Crankcase
Fuel
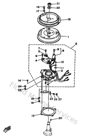
Generatrice
Intake
Kits De Reparation 1
Kits De Reparation 2
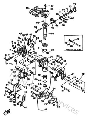
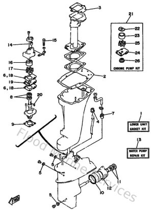
Lower Casing & Drive
Optionnelles 1
Optionnelles 2
Optionnelles 3
Pieces Electrique
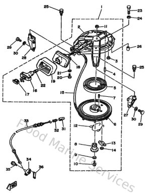
Starter
Top Cowling
Upper Casing