New Search
Parts
New Outboards
Diagram Sections: 15DWH (1986)
Download as PDF
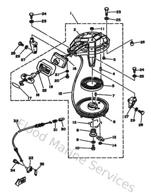
Bottom Cowling
Bracket
Control
Crankshaft & Piston
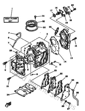
Cylinder & Crankcase
Electric Motor
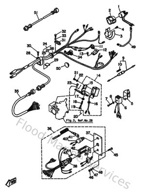
Electric Parts
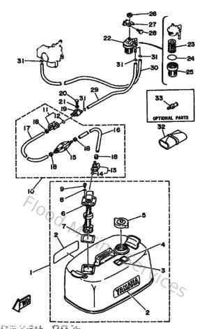
Fuel
Intake
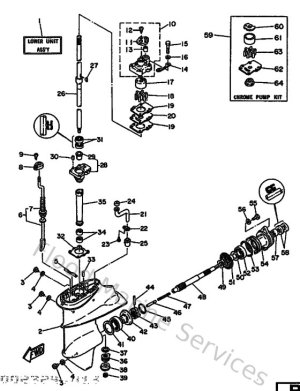
Lower Casing & Drive 1
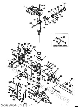
Lower Casing & Drive 2
Magneto
Optional Parts 1
Optional Parts 2
Remote Control
Remote Control Assy
Repair Kit
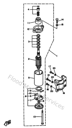
Starter
Top Cowling
Upper Casing