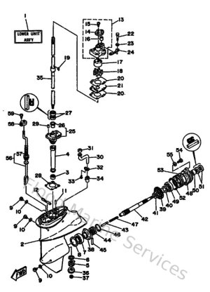
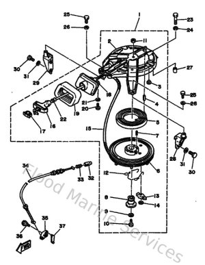
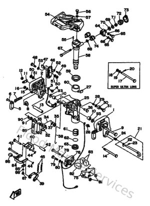
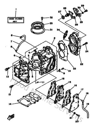
Diagram Sections: 15DWH (1993)

Download as PDF