New Search
Parts
New Outboards
Diagram Sections: 15FMC (1999)
Download as PDF
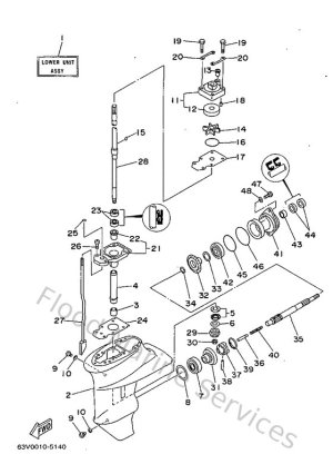
Boitier Dhelice, Transmissio
Bracket 1
Bracket 2
Capot Infprieur
Capot Supprieur
Carburetor
Controle
Crankshaft & Piston
Cylinder. Crankcase
Electrical 1
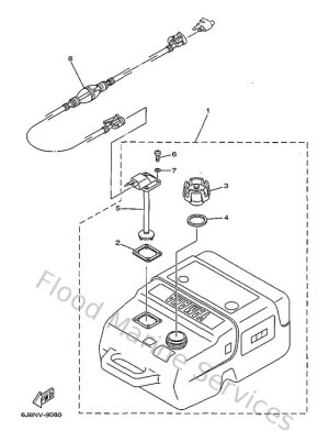
Fuel
Generator
Intake
Meter
Remote Control Assy 2
Repair Kit 1
Repair Kit 2
Rpservoir A Carburant
Starter
Steering
Steering Guide
Upper Casing