Diagram Sections: 15FWH (1995)
Download as PDF-
Bottom Cowling
-
Bracket 1
-
Bracket 2
-
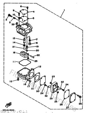
Carburetor
-
Control 1
-
Control 2
-
Crankshaft & Piston
-
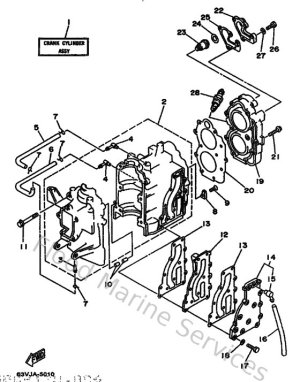
Cylinder & Crankcase
-
Demarreur Electrique
-
Fuel
-
Generator
-
Intake
-
Kits De Reparation 1
-
Kits De Reparation 2
-
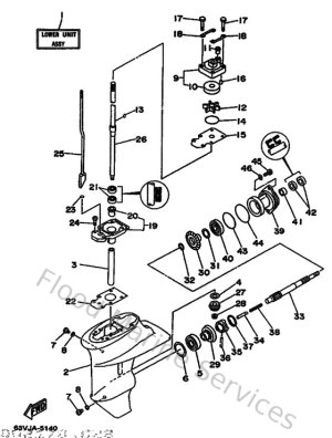
Lower Casing & Drive
-
Partie Electrique 1
-
Partie Electrique 2
-
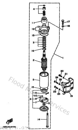
Starter
-
Steering
-
Steering Guide
-
Top Cowling
-
Upper Casing