Diagram Sections: 175AETOL (1986)
Download as PDF-
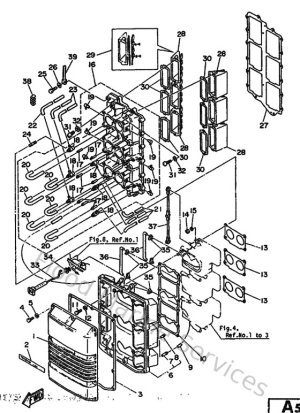
Bottom Cowling
-
Bracket
-
Carburetor
-
Control
-
Crankshaft & Piston
-
Cylinder & Crankcase
-
Electric Motor
-
Electric Parts 2
-
Electrical 1
-
Fuel 1
-
Fuel 2
-
Intake
-
Lower Casing & Drive 1
-
Lower Casing & Drive 2
-
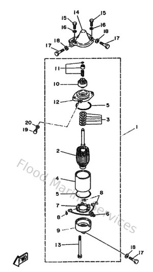
Magneto
-
Oil Pump
-
Oil Tank
-
Optional Parts 1
-
Optional Parts 2
-
Optional Parts 3
-
Optional Parts 4
-
Optional Parts 5
-
Power Trim & Tilt Assy
-
Remote Control
-
Remote Control Assy
-
Remote Control Assy 2
-
Repair Kit
-
Steering Guide
-
Top Cowling
-
Upper Casing