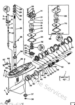
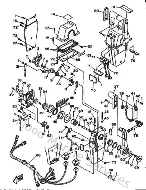
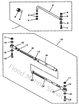
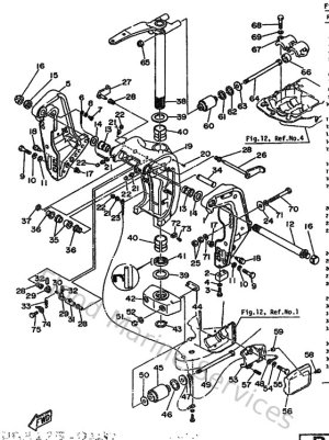
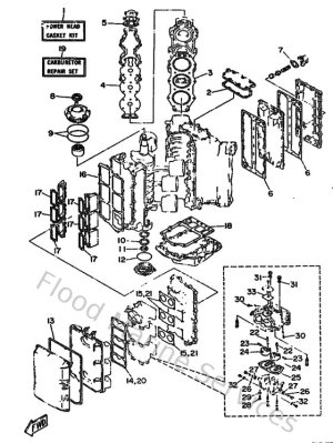
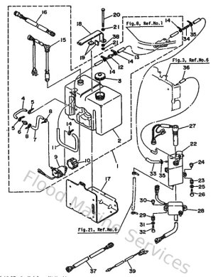
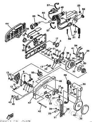
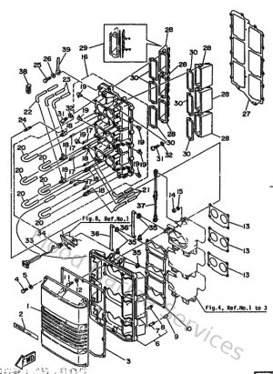
Diagram Sections: 175AETOL (1987)

Download as PDF