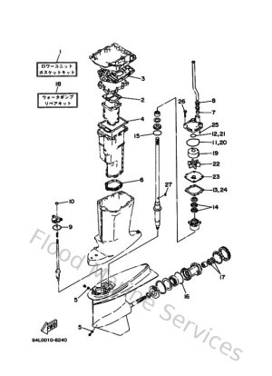
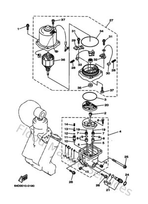
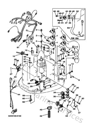
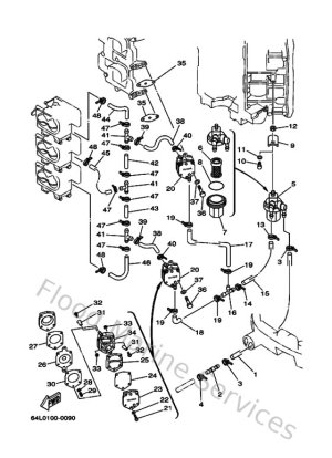
Diagram Sections: 175FETOL (2000)

Download as PDF