Diagram Sections: 200AETOL (1986)
Download as PDF-
Bottom Cowling
-
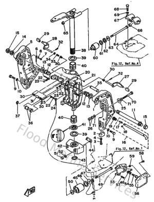
Bracket
-
Carburetor
-
Control
-
Crankshaft & Piston
-
Cylinder & Crankcase
-
Electric Motor
-
Electric Parts 2
-
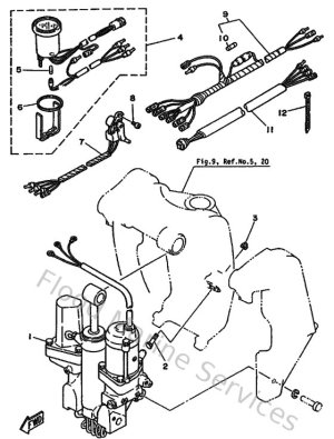
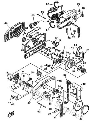
Electrical 1
-
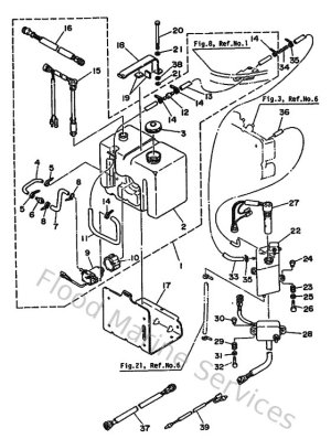
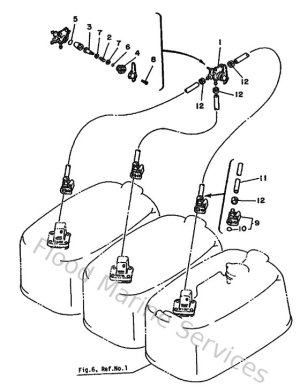
Fuel 1
-
Fuel 2
-
Intake
-
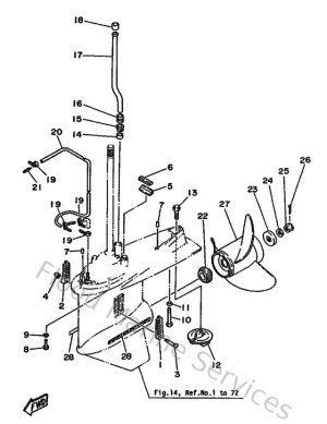
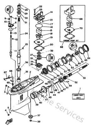
Lower Casing & Drive 1
-
Lower Casing & Drive 2
-
Magneto
-
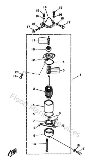
Oil Pump
-
Oil Tank
-
Optional Parts 1
-
Optional Parts 2
-
Optional Parts 3
-
Optional Parts 4
-
Optional Parts 5
-
Power Trim & Tilt Assy
-
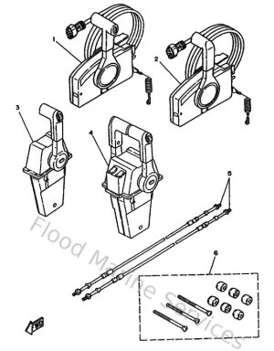
Remote Control
-
Remote Control Assy
-
Remote Control Assy 2
-
Repair Kit
-
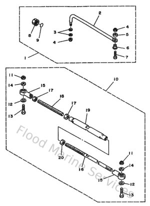
Steering Guide
-
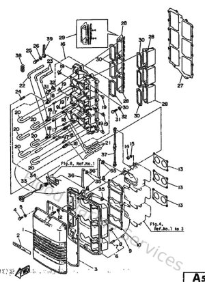
Top Cowling
-
Upper Casing