Diagram Sections: 200BETOL (1994)
Download as PDF-
Allumage Electronique
-
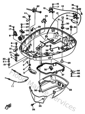
Bottom Cowling
-
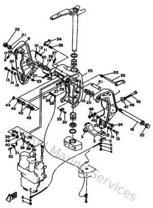
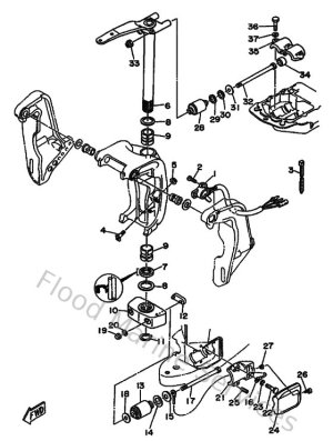
Bracket 1
-
Bracket 2
-
Carburetor
-
Control
-
Crankshaft & Piston
-
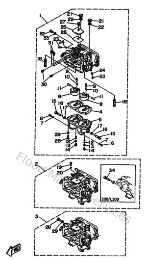
Cylinder & Crankcase
-
Demarreur Electrique
-
Fuel
-
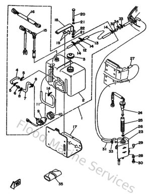
Fuel Tank
-
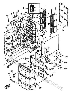
Intake
-
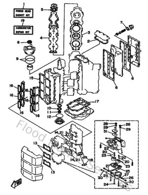
Kits De Reparation 1
-
Kits De Reparation 2
-
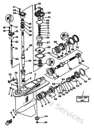
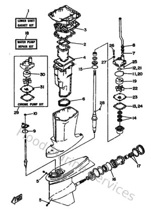
Lower Casing & Drive
-
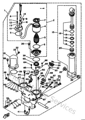
Oil Pump
-
Optionnelles 1
-
Optionnelles 2
-
Partie Electrique 1
-
Partie Electrique 2
-
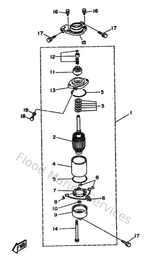
Power Trim & Tilt Assy
-
Top Cowling
-
Upper Casing