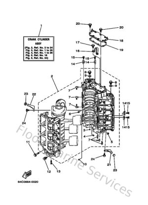
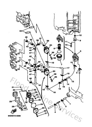
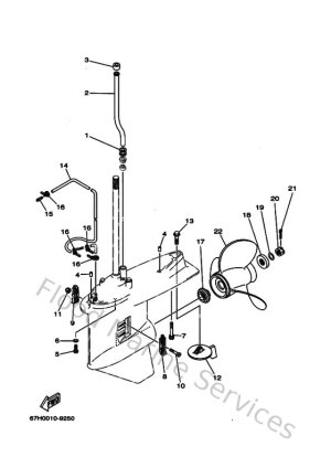
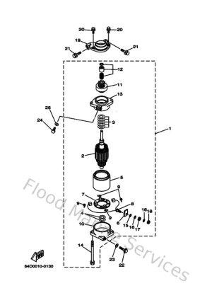
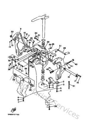
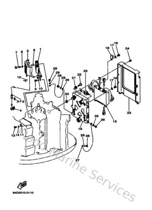
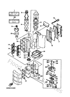
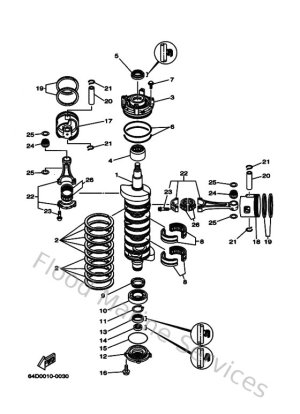
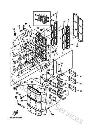
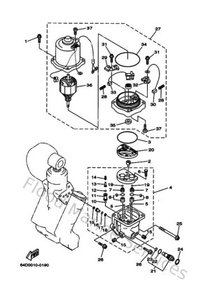
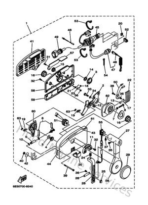
Diagram Sections: 200FETOL (2000)

Download as PDF