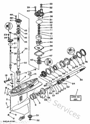
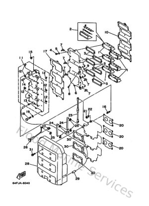
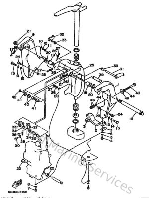
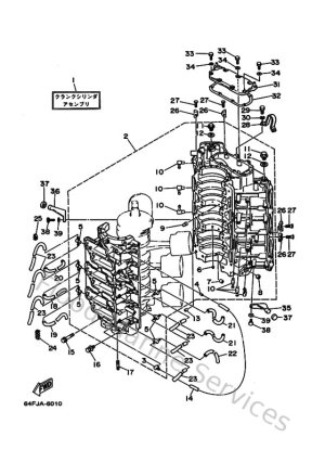
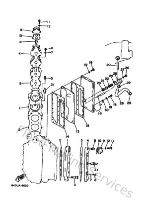
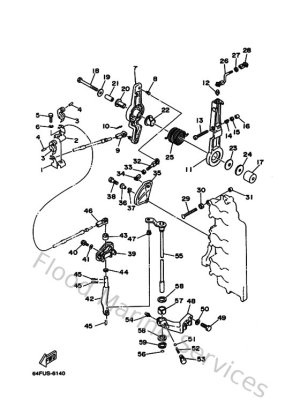
Diagram Sections: 200GETOL (1996)

Download as PDF