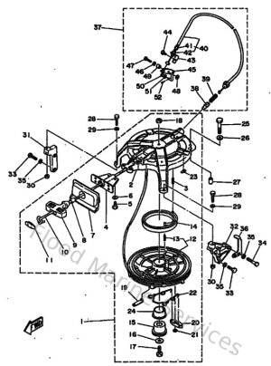
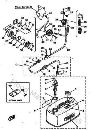
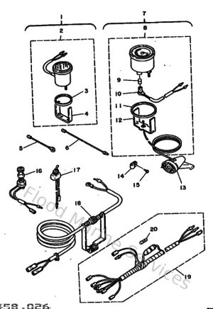
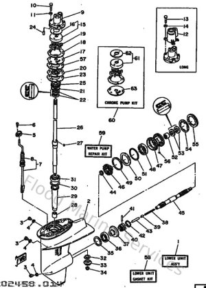
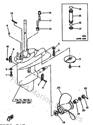
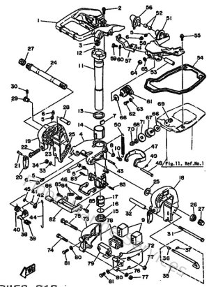
Diagram Sections: 20CMH (1985)

Download as PDF