New Search
Parts
New Outboards
Diagram Sections: 20CMH (1997)
Download as PDF
Bottom Cowling
Bracket 1
Control
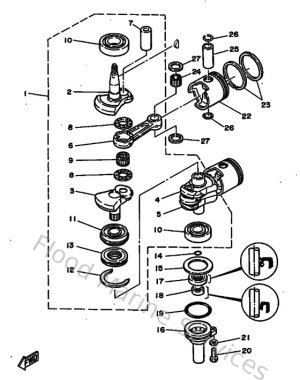
Crankshaft & Piston
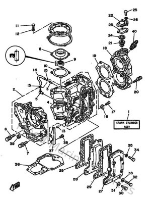
Cylinder & Crankcase
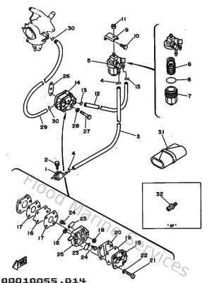
Fuel
Generatrice
Intake
Kits De Reparation 1
Kits De Reparation 2
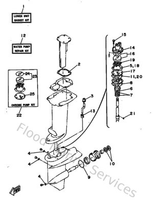
Lower Casing & Drive
Partie Electrique 1
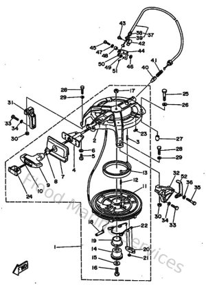
Starter
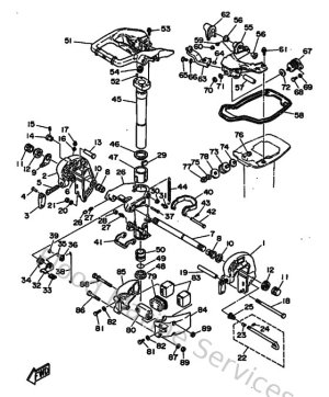
Steering
Top Cowling
Upper Casing