New Search
Parts
New Outboards
Diagram Sections: 20CMH (2001)
Download as PDF
Bottom Cowling
Bracket 1
Bracket 2
Control
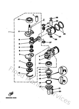
Crankshaft & Piston
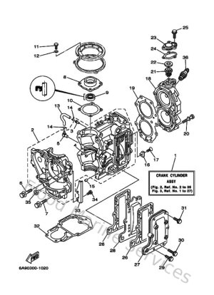
Cylinder & Crankcase
Electrical 1
Fuel
Fuel Tank
Generator
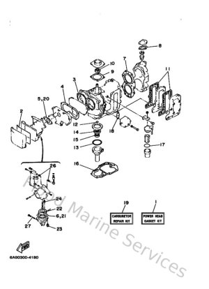
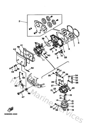
Intake
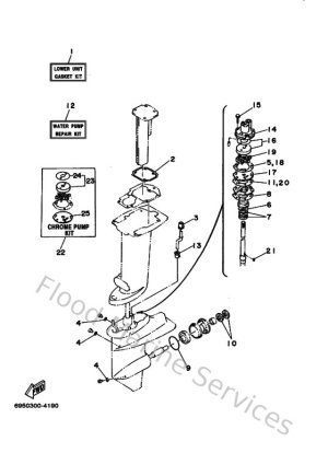
Lower Casing & Drive 1
Lower Casing & Drive 2
Repair Kit 1
Repair Kit 2
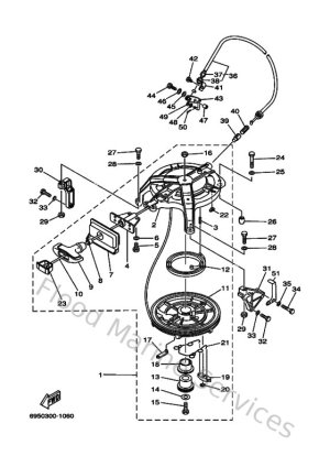
Starter
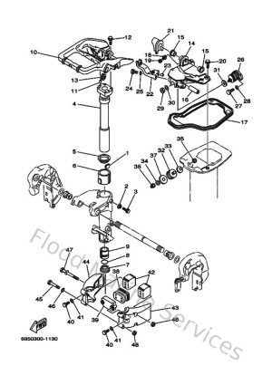
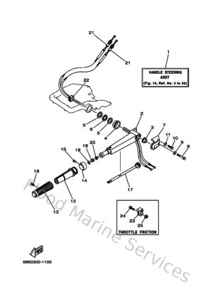
Steering
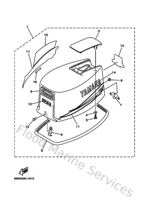
Top Cowling
Upper Casing