Diagram Sections: 20DEM (1993)
Download as PDF-
Alternate 1
-
Alternate 2
-
Bottom Cowling
-
Bracket 1
-
Bracket 2
-
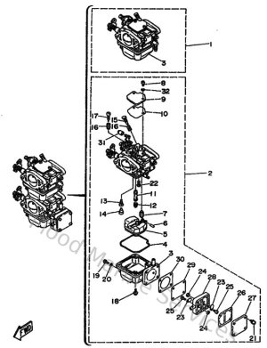
Carburetor
-
Control
-
Crankshaft & Piston
-
Cylinder & Crankcase
-
Electrical 1
-
Fuel
-
Intake
-
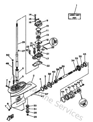
Lower Casing & Drive 1
-
Lower Casing & Drive 2
-
Magneto
-
Oil Pump
-
Optional Parts 1
-
Optional Parts 2
-
Optional Parts 3
-
Optional Parts 4
-
Remo Con Attachment
-
Remote Control
-
Remote Control Assy 1
-
Repair Kit 1
-
Repair Kit 2
-
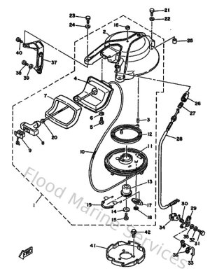
Starter
-
Steering
-
Steering Guide
-
Top Cowling
-
Upper Casing