Diagram Sections: 20DMHO (1989)
Download as PDF-
Alternate 1 (20DE0/25NE0 MODEL)
-
Alternate 2 ((20DEO/25NEO MODEL)
-
Alternate 3 (20DEO/25NEO MODEL)
-
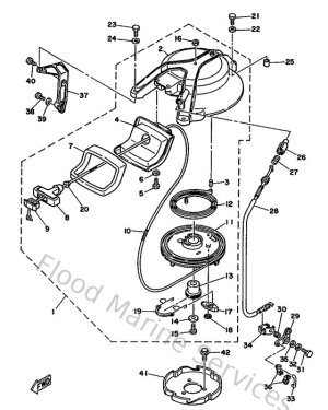
Bottom Cowling
-
Bracket 1
-
Bracket 2
-
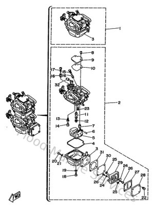
Carburetor
-
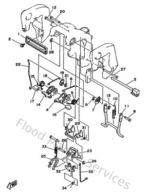
Control
-
Crankshaft & Piston
-
Cylinder. Crankcase
-
Electrical 1
-
Fuel
-
Intake
-
Lower Casing Drive 1
-
Lower Casing. Drive 2
-
Magneto
-
Oil Pump
-
Optional Parts 1
-
Optional Parts 2
-
Optional Parts 3
-
Optional Parts 4
-
Remo-con Attachment
-
Remote Control
-
Remote Control Assy 1
-
Repair Kit 1
-
Repair Kit 2
-
Starter
-
Steering
-
Steering Guide Attachment
-
Top Cowling
-
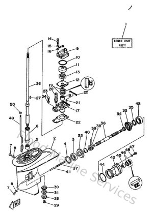
Upper Casing