New Search
Parts
New Outboards
Diagram Sections: 20DMHO (1995)
Download as PDF
Alternate 1 (20DE(R)0/25NE(R)0)
Alternate 2 (20DE(R)0/25NE(R)0)
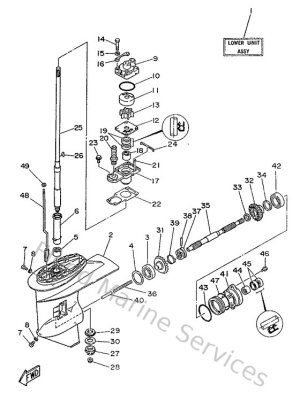
Boitier Dhelice, Transmissio
Bracket 1
Bracket 2
Capot Infprieur
Capot Supprieur
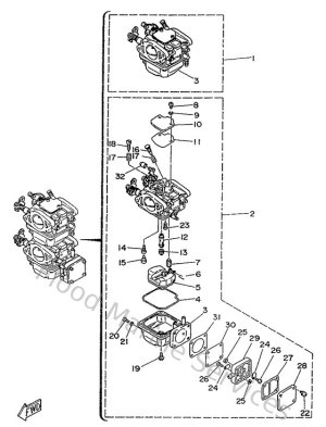
Carburetor
Controle
Crankshaft & Piston
Cylinder
Electrical 1
Fuel
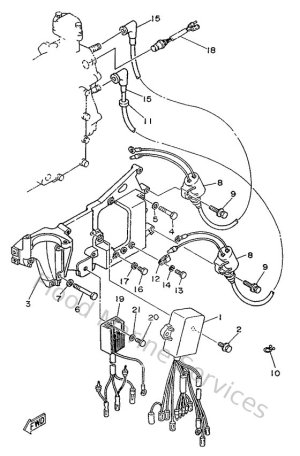
Generator
Intake
Oil Pump
Repair Kit 1
Repair Kit 2
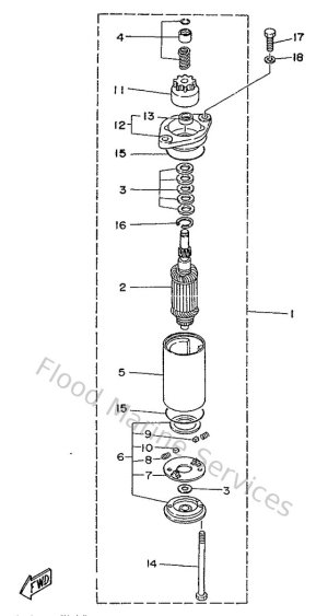
Starter
Steering
Upper Casing