New Search
Parts
New Outboards
Diagram Sections: 20DMHO (1998)
Download as PDF
Bottom Cowling
Bracket 1
Bracket 2
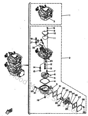
Carburetor
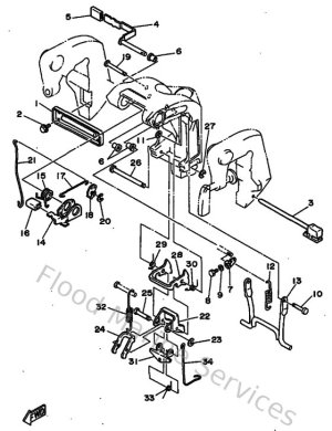
Controller 1
Crankshaft & Piston
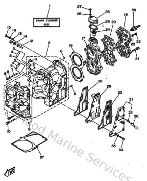
Cylinder & Crankcase
Fuel
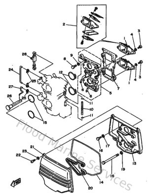
Intake
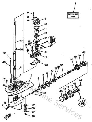
Lower Casing & Drive
Oil Pump
Starter
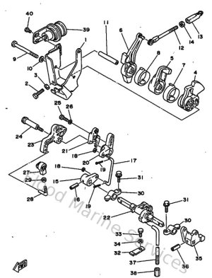
Steering
Top Cowling
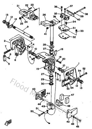
Upper Casing