Diagram Sections: 225AETOL (1987)
Download as PDF-
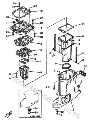
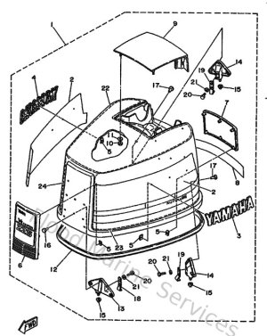
Bottom Cowling
-
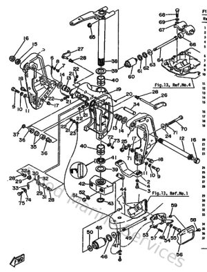
Bracket
-
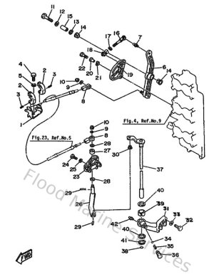
Carburetor
-
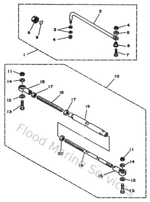
Control
-
Crankshaft & Piston
-
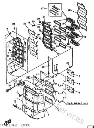
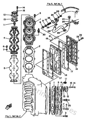
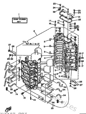
Cylinder & Crankcase 1
-
Cylinder & Crankcase 2
-
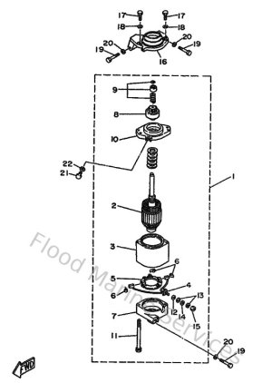
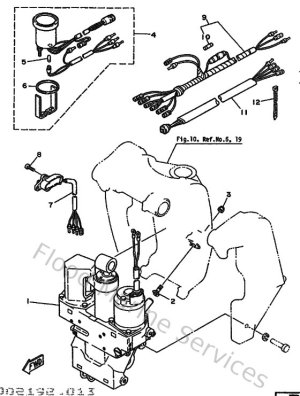
Electric Motor
-
Electric Parts 2
-
Electrical 1
-
Electrical 3
-
Fuel 1
-
Fuel 2
-
Intake
-
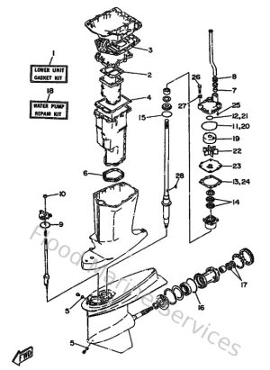
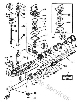
Lower Casing & Drive 1
-
Lower Casing & Drive 2
-
Magneto
-
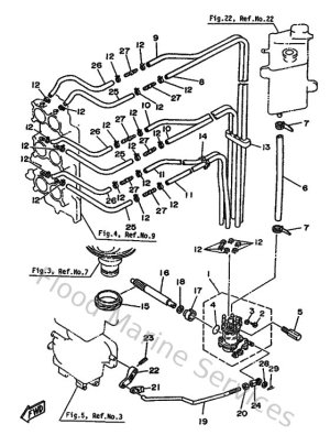
Oil Pump
-
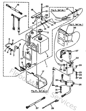
Oil Tank
-
Optional Parts 1
-
Optional Parts 2
-
Optional Parts 3
-
Optional Parts 4
-
Optional Parts 5
-
Optional Parts 6
-
Power Trim & Tilt Assy
-
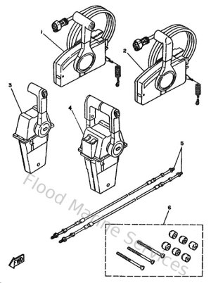
Remote Control
-
Remote Control Assy 1
-
Remote Control Assy 2
-
Repair Kit 1
-
Repair Kit 2
-
Steering Guide
-
Top Cowling
-
Upper Casing