Diagram Sections: 225AETOL (1988)
Download as PDF-
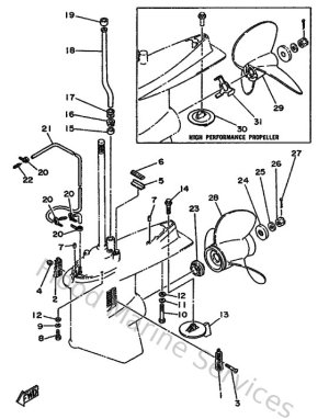
Bottom Cowling
-
Bracket
-
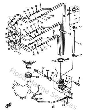
Carburetor
-
Control
-
Crankshaft & Piston
-
Cylinder & Crankcase
-
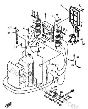
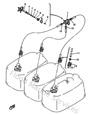
Electrical 1
-
Electrical 2
-
Electrical 3
-
Fuel
-
Fuel 2
-
Intake
-
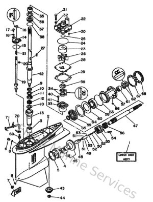
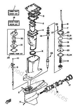
Lower Casing & Drive 1
-
Lower Casing & Drive 2
-
Magneto
-
Oil Pump
-
Oil Tank
-
Optional Parts 1
-
Optional Parts 2
-
Optional Parts 3
-
Optional Parts 4
-
Optional Parts 5
-
Optional Parts 6
-
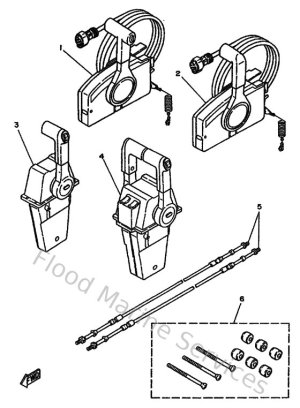
Power Trim & Tilt Assy
-
Remote Control
-
Remote Control Assy 1
-
Remote Control Assy 2
-
Remote Control Assy 3
-
Repair Kit 1
-
Repair Kit 2
-
Starting Motor
-
Steering Guide
-
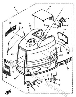
Top Cowling
-
Upper Casing