Diagram Sections: 225BETOL (1991)
Download as PDF-
Bottom Cowling
-
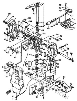
Bracket 1
-
Bracket 2
-
Carburetor
-
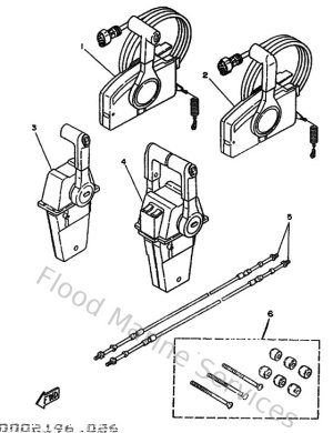
Control
-
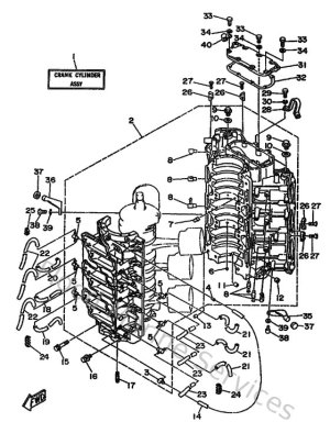
Crankshaft & Piston
-
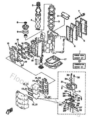
Cylinder & Crankcase 1
-
Cylinder & Crankcase 2
-
Electrical 1
-
Electrical 2
-
Electrical 3
-
Fuel 1
-
Fuel 2
-
Generator
-
Intake
-
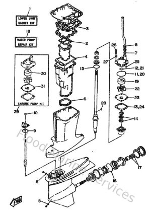
Lower Casing & Drive 1
-
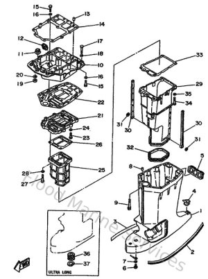
Lower Casing & Drive 2
-
Oil Pump
-
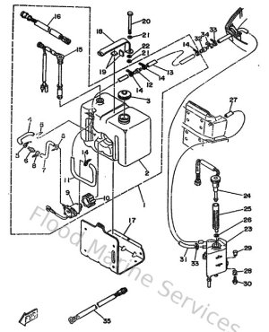
Oil Tank
-
Optional Parts
-
Optional Parts 1
-
Optional Parts 2
-
Optional Parts 3
-
Optional Parts 4
-
Optional Parts 5
-
Optional Parts 6
-
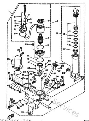
Power Trim & Tilt Assy
-
Remote Control
-
Remote Control Assy
-
Remote Control Assy 2
-
Remote Control Assy 3
-
Repair Kit 1
-
Repair Kit 2
-
Starting Motor
-
Steering Guide Attachment 1
-
Top Cowling
-
Upper Casing